五級固控系統組成
作者:西安華揚油氣設備有限公司 發布日期:2020-04-27
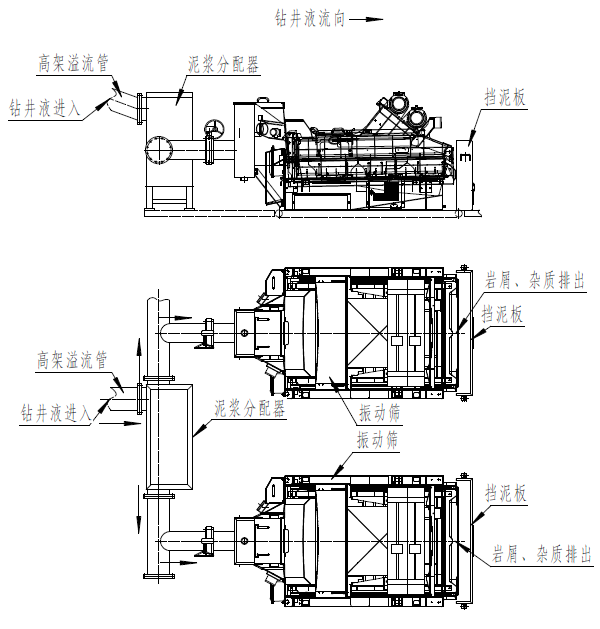
五級固控系統
固控系統是鉆機的主要配套系統之一,根據現場實際情況,合理布局固控設備,通過以系列設備去除泥漿中有害微粒、調節泥漿性能、實現泥漿循環、滿足設計工藝的相關要求。一級固控
鉆井液通過井口高架溢流管流入振動篩所在一號罐上的鉆井液分配器,進入泥漿振動篩,通過振動篩激振效果使鉆井液中的固相巖屑、雜質處理到鉆井液意外。

二級固控
由于鉆井過程中,鉆井液中經常會有氣侵發生,而安裝在一號罐上的真空除氣器就派上用場,通過振動篩處理過的鉆井液,在經真空除氣器氣液分離,排除泥漿中的氣體,為后面設備發生汽蝕現象排除可能,也排除了有害氣體,保證了鉆井工程的安全性和鉆井液的相對比重。

三級固控
通過除砂泵將真空除氣器處理過的鉆井液抽到除砂其中,利用旋轉離心分離原理,將鉆井液中45-75μm的固相分離,液相進入下級系統。

四級固控
在通過除泥泵將除砂器處理過的鉆井液抽入除泥器中,原理同三級固控原理一樣,也是利用旋轉離心分離原理,將15-44μm固相顆粒分離排出,液相進入下級固控系統。不同的是所用到的旋流器大小不同。

五級固控
除泥器不能分離的細小顆粒,經過液下渣漿泵(或螺桿泵)吸入中速離心機和高速離心機中,處理2-7μm的固相顆粒,也是五級固控中的最后一級系統,其優點是能夠高效的降低鉆井液的相對密度和粘度。

相關文章:
固控設備
泥漿振動篩
真空除氣器
除砂除泥清潔器
除泥器
除砂器
離心機





??業務一部